MOS管的開關特性
靜態特性
MOS管作為開關元件,同樣是工作在截止或導通兩種狀態。由于MOS管是電壓控制元件,所以主要由柵源電壓uGS決定其工作狀態。
工作特性如下:
※uGS<開啟電壓UT:MOS管工作在截止區,漏源電流iDS基本為0,輸出電壓uDS≈UDD,MOS管處于“斷開”狀態,其等效電路如下圖所示。


※ uGS>開啟電壓UT:MOS管工作在導通區,漏源電流iDS=UDD/(RD+rDS)。其中,rDS為MOS管導通時的漏源電阻。輸出電壓UDS=UDD·rDS/(RD+rDS),如果rDS《RD,則uDS≈0V,MOS管處于“接通”狀態,其等效電路如上圖(c)所示。
動態特性
MOS管在導通與截止兩種狀態發生轉換時同樣存在過渡過程,但其動態特性主要取決于與電路有關的雜散電容充、放電所需的時間,而管子本身導通和截止時電荷積累和消散的時間是很小的。下圖 (a)和(b)分別給出了一個NMOS管組成的電路及其動態特性示意圖。


(NMOS管動態特性示意圖)
當輸入電壓ui由高變低,MOS管由導通狀態轉換為截止狀態時,電源UDD通過RD向雜散電容CL充電,充電時間常數τ1=RDCL.所以,輸出電壓uo要通過一定延時才由低電平變為高電平;當輸入電壓ui由低變高,MOS管由截止狀態轉換為導通狀態時,雜散電容CL上的電荷通過rDS進行放電,其放電時間常數τ2≈rDSCL.可見,輸出電壓Uo也要經過一定延時才能轉變成低電平。但因為rDS比RD小得多,所以,由截止到導通的轉換時間比由導通到截止的轉換時間要短。
由于MOS管導通時的漏源電阻rDS比晶體三極管的飽和電阻rCES要大得多,漏極外接電阻RD也比晶體管集電極電阻RC大,所以,MOS管的充、放電時間較長,使MOS管的開關速度比晶體三極管的開關速度低。不過,在CMOS電路中,由于充電電路和放電電路都是低阻電路,因此,其充、放電過程都比較快,從而使CMOS電路有較高的開關速度。
MOS管導通特性
導通的意思是作為開關,相當于開關閉合。
NMOS的特性,Vgs大于一定的值就會導通,適合用于源極接地時的情況(低端驅動),只要柵極電壓達到4V或10V就可以了。
PMOS的特性,Vgs小于一定的值就會導通,適合用于源極接VCC時的情況(高端驅動)。但是,雖然PMOS可以很方便地用作高端驅動,但由于導通電阻大,價格貴,替換種類少等原因,在高端驅動中,通常還是使用NMOS.
MOS開關管損失
不管是NMOS還是PMOS,導通后都有導通電阻存在,這樣電流就會在這個電阻上消耗能量,這部分消耗的能量叫做導通損耗。選擇導通電阻小的MOS管會減小導通損耗。現在的小功率MOS管導通電阻一般在幾十毫歐左右,幾毫歐的也有。
MOS在導通和截止的時候,一定不是在瞬間完成的。MOS兩端的電壓有一個下降的過程,流過的電流有一個上升的過程,在這段時間內,MOS管的損失是電壓和電流的乘積,叫做開關損失。通常開關損失比導通損失大得多,而且開關頻率越快,損失也越大。
導通瞬間電壓和電流的乘積很大,造成的損失也就很大。縮短開關時間,可以減小每次導通時的損失;降低開關頻率,可以減小單位時間內的開關次數。這兩種辦法都可以減小開關損失。
第二種:mos管開關電路圖
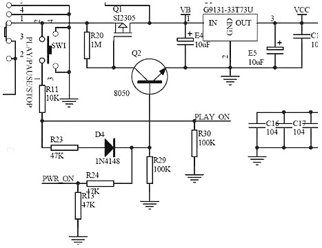
圖中電池的正電通過開關S1接到場效應管Q1的2腳源極,由于Q1是一個P溝道管,它的1腳柵極通過R20電阻提供一個正電位電壓,所以不能通電,電壓不能繼續通過,3v穩壓IC輸入腳得不到電壓所以就不能工作不開機!這時,如果我們按下SW1開機按鍵時,正電通過按鍵、R11、R23、D4加到三極管Q2的基極,三極管Q2的基極得到一個正電位,三極管導通(前面講到三極管的時候已經講過),由于三極管的發射極直接接地,三極管Q2導通就相當于Q1的柵極直接接地,加在它上面的通過R20電阻的電壓就直接入了地,Q1的柵極就從高電位變為低電位,Q1導通電就從Q1同過加到3v穩壓IC的輸入腳,3v穩壓IC就是那個U1輸出3v的工作電壓vcc供給主控,主控通過復位清0,讀取固件程序檢測等一系列動作,輸處一個控制電壓到PWR_ON再通過R24、R13分壓送到Q2的基極,保持Q2一直處于導通狀態,即使你松開開機鍵斷開Q1的基極電壓,這時候有主控送來的控制電壓保持著,Q2也就一直能夠處于導通狀態,Q1就能源源不斷的給3v穩壓IC提供工作電壓!SW1還同時通過R11、R30兩個電阻的分壓,給主控PLAYON腳送去時間長短、次數不同的控制信號,主控通過固件鑒別是播放、暫停、開機、關機而輸出不同的結果給相應的控制點,以達到不同的工作狀態!


第三種:mos管開關電路圖
下圖是兩種MOS管的典型應用:其中第一種NMOS管為高電平導通,低電平截斷,Drain端接后面電路的接地端;第二種為PMOS管典型開關電路,為高電平斷開,低電平導通,Drain端接后面電路的VCC端。


第四種:mos管開關電路圖
驅動電路加速MOS管關斷時間


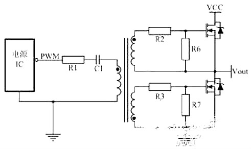
圖5 隔離驅動
為了滿足如圖5所示高端MOS管的驅動,經常會采用變壓器驅動,有時為了滿足安全隔離也使用變壓器驅動。其中R1目的是抑制PCB板上寄生的電感與C1形成LC振蕩,C1的目的是隔開直流,通過交流,同時也能防止磁芯飽和。
第五種:mos管開關電路圖
圖7(a)為常用的小功率驅動電路,簡單可靠成本低。適用于不要求隔離的小功率開關設備。圖7(b)所示驅動電路開關速度很快,驅動能力強,為防止兩個MOSFET管直通,通常串接一個0.5~1Ω小電阻用于限流,該電路適用于不要求隔離的中功率開關設備。這兩種電路特點是結構簡單。


功率MOSFET屬于電壓型控制器件,只要柵極和源極之間施加的電壓超過其閥值電壓就會導通。由于MOSFET存在結電容,關斷時其漏源兩端電壓的突然上升將會通過結電容在柵源兩端產生干擾電壓。常用的互補驅動電路的關斷回路阻抗小,關斷速度較快,但它不能提供負壓,故抗干擾性較差。為了提高電路的抗干擾性,可在此種驅動電路的基礎上增加一級有V1、V2、R組成的電路,產生一個負壓,電路原理圖如圖8所示。


當V1導通時,V2關斷,兩個MOSFET中的上管的柵、源極放電,下管的柵、源極充電,即上管關斷,下管導通,則被驅動的功率管關斷;反之V1關斷時,V2導通,上管導通,下管關斷,使驅動的管子導通。因為上下兩個管子的柵、源極通過不同的回路充放電,包含有V2的回路,由于V2會不斷退出飽和直至關斷,所以對于S1而言導通比關斷要慢,對于S2而言導通比關斷要快,所以兩管發熱程度也不完全一樣,S1比S2發熱嚴重。
該驅動電路的缺點是需要雙電源,且由于R的取值不能過大,否則會使V1深度飽和,影響關斷速度,所以R上會有一定的損耗。
第六種:mos管開關電路圖
正激式驅動電路
電路原理如圖9(a)所示,N3為去磁繞組,S2為所驅動的功率管。R2為防止功率管柵極、源極端電壓振蕩的一個阻尼電阻。因不要求漏感較小,且從速度方面考慮,一般R2較小,故在分析中忽略不計。


其等效電路圖如圖9(b)所示脈沖不要求的副邊并聯一電阻R1,它做為正激變換器的假負載,用于消除關斷期間輸出電壓發生振蕩而誤導通。同時它還可以作為功率MOSFET關斷時的能量泄放回路。該驅動電路的導通速度主要與被驅動的S2柵極、源極等效輸入電容的大小、S1的驅動信號的速度以及S1所能提供的電流大小有關。由仿真及分析可知,占空比D越小、R1越大、L越大,磁化電流越小,U1值越小,關斷速度越慢。該電路具有以下優點:①電路結構簡單可靠,實現了隔離驅動。②只需單電源即可提供導通時的正、關斷時負壓。③占空比固定時,通過合理的參數設計,此驅動電路也具有較快的開關速度。
該電路存在的缺點:一是由于隔離變壓器副邊需要噎嗝假負載防振蕩,故電路損耗較大;二是當占空比變化時關斷速度變化較大。脈寬較窄時,由于是儲存的能量減少導致MOSFET柵極的關斷速度變慢。
第七種:mos管開關電路圖
有隔離變壓器的互補驅動電路
如圖10所示,V1、V2為互補工作,電容C起隔離直流的作用,T1為高頻、高磁率的磁環或磁罐。


導通時隔離變壓器上的電壓為(1-D)Ui、關斷時為DUi,若主功率管S可靠導通電壓為12V,而隔離變壓器原副邊匝比N1/N2為12/[(1-D)Ui]。為保證導通期間GS電壓穩定C值可稍取大些。該電路具有以下優點:
①電路結構簡單可靠,具有電氣隔離作用。當脈寬變化時,驅動的關斷能力不會隨著變化。
②該電路只需一個電源,即為單電源工作。隔直電容C的作用可以在關斷所驅動的管子時提供一個負壓,從而加速了功率管的關斷,且有較高的抗干擾能力。
但該電路存在的一個較大缺點是輸出電壓的幅值會隨著占空比的變化而變化。當D較小時,負向電壓小,該電路的抗干擾性變差,且正向電壓較高,應該注意使其幅值不超過MOSFET柵極的允許電壓。當D大于0.5時驅動電壓正向電壓小于其負向電壓,此時應該注意使其負電壓值不超過MOAFET柵極允許電壓。所以該電路比較適用于占空比固定或占空比變化范圍不大以及占空比小于0.5的場合。
第八種:mos管開關電路圖
集成芯片UC3724/3725構成的驅動電路
電路構成如圖11所示。其中UC3724用來產生高頻載波信號,載波頻率由電容CT和電阻RT決定。一般載波頻率小于600kHz,4腳和6腳兩端產生高頻調制波,經高頻小磁環變壓器隔離后送到UC3725芯片7、8兩腳經UC3725進行調制后得到驅動信號,UC3725內部有一肖特基整流橋同時將7、8腳的高頻調制波整流成一直流電壓供驅動所需功率。一般來說載波頻率越高驅動延時越小,但太高抗干擾變差;隔離變壓器磁化電感越大磁化電流越小,UC3724發熱越少,但太大使匝數增多導致寄生參數影響變大,同樣會使抗干擾能力降低。
根據實驗數據得出:
對于開關頻率小于100kHz的信號一般取(400~500)kHz載波頻率較好,變壓器選用較高磁導如5K、7K等高頻環形磁芯,其原邊磁化電感小于約1毫亨左右為好。這種驅動電路僅適合于信號頻率小于100kHz的場合,因信號頻率相對載波頻率太高的話,相對延時太多,且所需驅動功率增大,UC3724和UC3725芯片發熱溫升較高,故100kHz以上開關頻率僅對較小極電容的MOSFET才可以。對于1kVA左右開關頻率小于100kHz的場合,它是一種良好的驅動電路。該電路具有以下特點:單電源工作,控制信號與驅動實現隔離,結構簡單尺寸較小,尤其適用于占空比變化不確定或信號頻率也變化的場合。


第九種:mos管開關電路圖


第一種應用,由PMOS來進行電壓的選擇,當V8V存在時,此時電壓全部由V8V提供,將PMOS關閉,VBAT不提供電壓給VSIN,而當V8V為低時,VSIN由8V供電。注意R120的接地,該電阻能將柵極電壓穩定地拉低,確保PMOS的正常開啟,這也是前文所描述的柵極高阻抗所帶來的狀態隱患。D9和D10的作用在于防止電壓的倒灌。D9可以省略。這里要注意到實際上該電路的DS接反,這樣由附生二極管導通導致了開關管的功能不能達到,實際應用要注意。


來看這個電路,控制信號PGC控制V4.2是否給P_GPRS供電。此電路中,源漏兩端沒有接反,R110與R113存在的意義在于R110控制柵極電流不至于過大,R113控制柵極的常態,將R113上拉為高,截至PMOS,同時也可以看作是對控制信號的上拉,當MCU內部管腳并沒有上拉時,即輸出為開漏時,并不能驅動PMOS關閉,此時,就需要外部電壓給予的上拉,所以電阻R113起到了兩個作用。R110可以更小,到100歐姆也可。
烜芯微專業制造二三極管,MOS管,20年,工廠直銷省20%,1500家電路電器生產企業選用,專業的工程師幫您穩定好每一批產品,如果您有遇到什么需要幫助解決的,可以點擊右邊的工程師,或者點擊銷售經理給您精準的報價以及產品介紹
烜芯微專業制造二三極管,MOS管,20年,工廠直銷省20%,1500家電路電器生產企業選用,專業的工程師幫您穩定好每一批產品,如果您有遇到什么需要幫助解決的,可以點擊右邊的工程師,或者點擊銷售經理給您精準的報價以及產品介紹

