在便攜電子領域,設計師基于多種因素(尺寸、成本和性能),利用他們的專業知識和最佳判斷來選擇器件。但這些因素通常需要進行權衡,設計師必須依據所需的最終產品謹慎選擇元件。幾乎與其它行業一樣,便攜市場,特別是移動電話市場,通常會同時提供高端(多功能)和低端(廉價)產品。


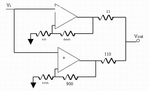
圖1:運用多個運算放大器減少輸出噪音。
移動電話主板包括不同的元件,如運算放大器、音頻放大器及前置放大器、數據轉換器和ASIC等。選擇運算放大器之前,設計師必須考慮封裝選項,以及更小的封裝是否會使性能降低。盡管在便攜產品領域小型封裝很受歡迎,但小型封裝可能會給設計師帶來麻煩和問題。采用塑料封裝形式的運算放大器,譬如SC70,往往不能達到與SOIC或MSOP封裝對應產品相同的性能。微型芯片級封裝(CSP)(這實質上是裸片),暴露于光線下,輸入偏流可能發生數百量級的偏移。該封裝形式也容易在組裝期間發生破裂。
哪些參數最重要?
在電池供電的應用領域—特別是PDA和移動電話,由于電池電壓會隨著干擾而下降,因此應選擇PSRR性能好(~80dB)的運算放大器。此外,要注意高增益配置,這是因為耦合到運放中的噪聲將導致噪聲電平升高。電阻器的選擇也十分關鍵,更大的阻值會產生更高的噪聲。設計師可以利用4?估算約翰遜噪聲(Johnson noise)或電阻噪聲,這里R的單位是K歐姆,因此100K歐姆電阻產生大約40nV噪聲!
如果運用多個運算放大器,減少噪聲的一個方法是采用圖1所示的方案。該方法可以按因子減少輸出噪聲,這里n是使用的放大器數量。對于LMV651而言,輸出噪聲將減少到大約12nV/。此外設計師必須考慮限制帶寬以使噪聲最?。涸O計師可以將一個小電容與反饋電阻并聯使用,借此降低噪聲。
運算放大器的選擇也取決于其它的器件。設計師面對的一個普遍挑戰是為模數轉換器(ADC)選擇合適的運算放大器。盡管市場上有許多類型的數據轉換器,但是運算放大器和模數轉換器之間的匹配規則卻不一樣,設計師在做出選擇之前必須認真考慮某些準則。


圖2:在運算放大器輸出端采用簡單的低通濾波器。
大致瀏覽兩種器件的數據手冊將提供有用的信息,但這還不夠。首先,挑選供電電壓相同的運算放大器和模數轉換器。然后選擇THD+N小的運算放大器。如果不能查找到失真數據,就查看輸出阻抗:輸出阻抗小的運算放大器通常意味著更小的THD。速度是另外一個必須考慮的參數,盡管更快的運算放大器速度用起來很舒服,但必須考慮一些折衷因素,譬如更高的功率和偶爾的不穩定。
根據選擇的ADC,設計師應選擇至少為ADC取樣率50倍速度的放大器。轉換速率也可能是一個限制因素,設計師可以根據2?fVp進行計算,這里f是輸入信號頻率,Vp是最大輸出擺幅。例如,頻率為400kHz的100mV輸入信號(增益為10)要求放大器的轉換速率至少為2.5V/μs。
一旦確定了這些基本參數,設計師必須考慮穩定時間,該參數可能會產生誤導。大多數制造廠商規定運算放大器的穩定時間在特定輸入電壓的0.1%或0.01%范圍內。如果設計要求更高的精度,例如16位,那么就需要滿量程0.0015%范圍的參數。解決該問題的一個方法是利用下面的公式,基于模數轉換器的精度來估計運算放大器的穩定時間:


這里,N是位數,f是放大器的開環帶寬。
例如增益為10的運算放大器,如LMV651,精確度為12位時,穩定時間大約為1.4μs;精度為16位時,穩定時間是1.65μs。該公式只是一個近似算式,沒有考慮到雜散電容、主板電感或模數轉換器的輸入電容,這些因素都將影響穩定時間。
做出最終的選擇之前,最重要的的指標之一是運算放大器的噪聲,噪聲較高的放大器會降低模數轉換器的精度,給系統帶來顯著誤差。開始計算電路總輸出噪聲之前(這可能是一項十分冗長乏味的工作),最好先估計一下。這樣設計師就知道是否應繼續使用所選的放大器。該估計涉及到運算放大器在相關帶寬上的綜合電壓噪聲和運放配置的增益。我們可以將該公式表述為:


這里,NG是噪聲增益,en是運算放大器的電壓噪聲,BW是閉環帶寬。
在圖2的電路中,在輸出端采用簡單的低通濾波器。在該例中,輸出噪聲是在該濾波器帶寬(按1/2πRC計算)下的綜合噪聲。如果采用二階濾波器,帶寬要乘以系數1.05。
利用上述公式和LMV651電壓噪聲密度(17nV/),圖2電路在100kHz帶寬(濾波器帶寬)下的總輸出RMS噪聲是53.7V。一旦估算出總輸出噪聲,設計師可以利用下面的公式計算運算放大器的信噪比(SNR):


這里,VFS是滿量程電壓范圍,Eout是上文計算的運算放大器噪聲。例如,2.5V信號產生的信噪比是86.4dB。
然后,設計師應根據下面的公式計算放大器和模數轉換器的總SNR:


ADC121S021的SNR是72.3dB,當ADC121S021與LMV651搭配時,總SNR是72.1dB。忽略諧波,設計師可以將該SNR轉換為等效的比特數:ENOB=(SNR-1.76)/6.02,然后根據等價比特數確定只損失了大約0.3dB,這相當于0.03%總精度誤差。
由于噪聲是特定帶寬下的綜合噪聲,顯然噪聲也與帶寬成比例。換言之,縮減帶寬將減少噪聲;擴展帶寬將增加噪聲。如果決定選擇更高帶寬的濾波器,設計師應考慮選擇更低噪聲的放大器。例如,圖2電路中的10MHz濾波器產生不足71dB的總SNR,導致0.5比特損失。但將LMV791(5.8nV/)與相同的濾波器搭配使用時,SNR提高到72dB以上。設計師只要簡單的選擇更低噪聲的運算放大器就可以提高系統的精度。但必須考慮與此相關的各種折衷因素,例如功耗和封裝尺寸。
待考慮的其它規格指標
至此,我們討論了為設計選擇器件的基本原則和規則,但還有其它的一些因素有待考慮。例如,對于要求更高精度的應用,DC指標(譬如輸入偏移電壓和漂移)可能非常重要。
烜芯微專業制造二極管,三極管,MOS管,橋堆等20年,工廠直銷省20%,4000家電路電器生產企業選用,專業的工程師幫您穩定好每一批產品,如果您有遇到什么需要幫助解決的,可以點擊右邊的工程師,或者點擊銷售經理給您精準的報價以及產品介紹
烜芯微專業制造二極管,三極管,MOS管,橋堆等20年,工廠直銷省20%,4000家電路電器生產企業選用,專業的工程師幫您穩定好每一批產品,如果您有遇到什么需要幫助解決的,可以點擊右邊的工程師,或者點擊銷售經理給您精準的報價以及產品介紹

