開關電源的電路組成
開關電源的主要電路是由輸入電磁干擾濾波器(EMI)、整流濾波電路、功率變換電路、PWM控制器電路、輸出整流濾波電路組成。輔助電路有輸入過欠壓保護電路、輸出過欠壓保護電路、輸出過流保護電路、輸出短路保護電路等。
開關電源的電路組成方框圖如下:

輸入電路的原理以及常見的電路
(1)AC輸入整流濾波電路原理:

①防雷電路:當有雷擊,產生高壓經電網導入電源時,由MOV1、MOV2、MOV3:F1、F2、F3、FDG1 組成的電路進行保護。當加在壓敏電阻兩端的電壓超過其工作電壓時,其阻值降低,使高壓能量消耗在壓敏電阻上,若電流過大,F1、F2、F3 會燒毀保護后級電路。
②輸入濾波電路:C1、L1、C2、C3組成的雙π型濾波網絡主要是對輸入電源的電磁噪聲及雜波信號進行抑制,防止對電源干擾,同時也防止電源本身產生的高頻雜波對電網干擾。當電源開啟瞬間,要對 C5充電,由于瞬間電流大,加RT1(熱敏電阻)就能有效的防止浪涌電流。因瞬時能量全消耗在RT1電阻上,一定時間后溫度升高后RT1阻值減小(RT1是負溫系數元件),這時它消耗的能量非常小,后級電路可正常工作。
③整流濾波電路:交流電壓經BRG1整流后,經C5濾波后得到較為純凈的直流電壓。若C5容量變小,輸出的交流紋波將增大。
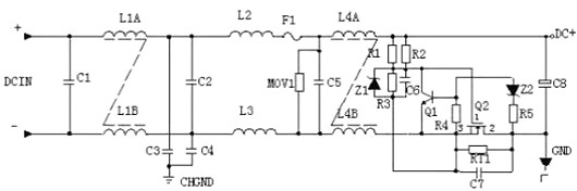
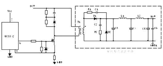
(2)DC輸入濾波電路原理:

①輸入濾波電路:C1、L1、C2組成的雙π型濾波網絡主要是對輸入電源的電磁噪聲及雜波信號進行抑制,防止對電源干擾,同時也防止電源本身產生的高頻雜波對電網干擾。C3、C4 為安規電容,L2、L3為差模電感。
② R1、R2、R3、Z1、C6、Q1、Z2、R4、R5、Q2、RT1、C7組成抗浪涌電路。在起機的瞬間,由于 C6的存在Q2不導通,電流經RT1構成回路。當C6上的電壓充至Z1的穩壓值時Q2導通。如果C8漏電或后級電路短路現象,在起機的瞬間電流在RT1上產生的壓降增大,Q1導通使 Q2沒有柵極電壓不導通,RT1將會在很短的時間燒毀,以保護后級電路。
功率變換電路
(1) MOS管的工作原理:
目前應用最廣泛的絕緣柵場效應管是MOSFET(MOS管),是利用半導體表面的電聲效應進行工作的。也稱為表面場效應器件。由于它的柵極處于不導電狀態,所以輸入電阻可以大大提高,最高可達105歐姆,MOS管是利用柵源電壓的大小,來改變半導體表面感生電荷的多少,從而控制漏極電流的大小。
(2)常見的原理圖:

(3)工作原理:
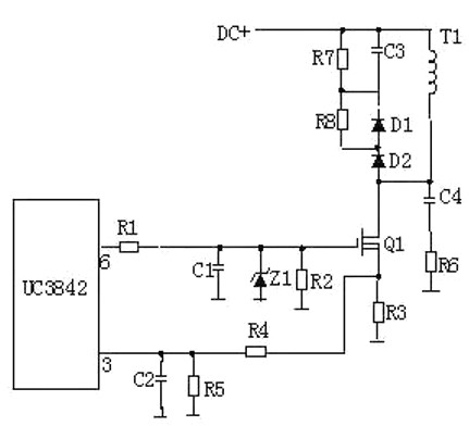
R4、C3、R5、R6、C4、D1、D2組成緩沖器,和開關MOS管并接,使開關管電壓應力減少,EMI減少,不發生二次擊穿。在開關管Q1關斷時,變壓器的原邊線圈易產生尖峰電壓和尖峰電流,這些元件組合一起,能很好地吸收尖峰電壓和電流。從R3測得的電流峰值信號參與當前工作周波的占空比控制,因此是當前工作周波的電流限制。
當R5上的電壓達到1V時,UC3842停止工作,開關管Q1立即關斷。R1和Q1中的結電容CGS、CGD一起組成RC網絡,電容的充放電直接影響著開關管的開關速度。R1過小,易引起振蕩,電磁干擾也會很大;R1過大,會降低開關管的開關速度。Z1通常將MOS管的GS電壓限制在18V以下,從而保護了MOS管。
Q1的柵極受控電壓為鋸形波,當其占空比越大時,Q1導通時間越長,變壓器所儲存的能量也就越多;當Q1截止時,變壓器通過D1、D2、R5、R4、C3釋放能量,同時也達到了磁場復位的目的,為變壓器的下一次存儲、傳遞能量做好了準備。IC根據輸出電壓和電流時刻調整著⑥腳鋸形波占空比的大小,從而穩定了整機的輸出電流和電壓。C4和R6為尖峰電壓吸收回路。
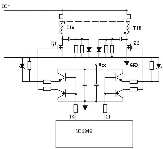
(4)推挽式功率變換電路:
Q1和Q2將輪流導通。

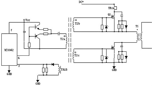
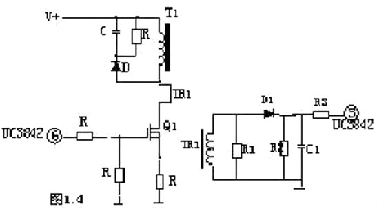
(5)有驅動變壓器的功率變換電路:
T2為驅動變壓器,T1為開關變壓器,TR1為電流環。

輸出整流濾波電路
(1) 正激式整流電路

T1為開關變壓器,其初極和次極的相位同相。D1為整流二極管,D2為續流二極管,R1、C1、R2、C2為削尖峰電路。L1為續流電感,C4、L2、C5組成π型濾波器。
(2)反激式整流電路:

T1為開關變壓器,其初極和次極的相位相反。D1為整流二極管,R1、C1為削尖峰電路。L1為續流電感,R2為假負載,C4、L2、C5組成π型濾波器。
(3)同步整流電路:

穩壓環路原理
(1)反饋電路原理圖:

(2)工作原理:
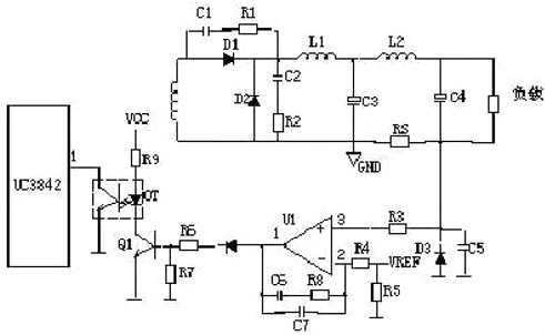
當輸出 U0升高,經取樣電阻R7、R8、R10、VR1分壓后,U1③腳電壓升高,當其超過U1②腳基準電壓后 U1①腳輸出高電平,使Q1導通,光耦OT1發光二極管發光,光電三極管導通,UC3842①腳電位相應變低,從而改變U1⑥腳輸出占空比減小,U0降低。當輸出 U0降低時,U1③腳電壓降低,當其低過U1②腳基準電壓后U1①腳輸出低電平,Q1不導通,光耦OT1發光二極管不發光,光電三極管不導通,UC3842①腳電位升高,從而改變U1⑥腳輸出占空比增大,U0降低。周而復始,從而使輸出電壓保持穩定。調節VR1可改變輸出電壓值。
反饋環路是影響開關電源穩定性的重要電路。如反饋電阻電容錯、漏、虛焊等,會產生自激振蕩,故障現象為:波形異常,空、滿載振蕩,輸出電壓不穩定等。
短路保護電路
(1)在輸出端短路的情況下,PWM控制電路能夠把輸出電流限制在一個安全范圍內,它可以用多種方法來實現限流電路,當功率限流在短路時不起作用時,只有另增設一部分電路。
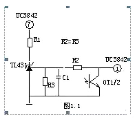
(2)短路保護電路通常有兩種,下圖是小功率短路保護電路,其原理簡述如下:

當輸出電路短路,輸出電壓消失,光耦OT1不導通,UC3842①腳電壓上升至5V左右,R1與R2的分壓超過TL431基準,使之導通,UC3842⑦腳VCC電位被拉低,IC停止工作。UC3842停止工作后①腳電位消失,TL431不導通UC3842⑦腳電位上升,UC3842重新啟動,周而復始。當短路現象消失后,電路可以自動恢復成正常工作狀態。
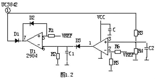
(3)下圖是中功率短路保護電路,其原理簡述如下:

當輸出短路,UC3842①腳電壓上升,U1 ③腳電位高于②腳時,比較器翻轉①腳輸出高電位,給 C1充電,當C1兩端電壓超過⑤腳基準電壓時 U1⑦腳輸出低電位,UC3842①腳低于1V,UCC3842 停止工作,輸出電壓為0V,周而復始,當短路消失后電路正常工作。R2、C1是充放電時間常數,阻值不對時短路保護不起作用。
(4)下圖是常見的限流、短路保護電路。其工作原理簡述如下:

當輸出電路短路或過流,變壓器原邊電流增大,R3 兩端電壓降增大,③腳電壓升高,UC3842⑥腳輸出占空比逐漸增大,③腳電壓超過1V時,UC3842關閉無輸出。
(5)下圖是用電流互感器取樣電流的保護電路,有著功耗小,但成本高和電路較為復雜,其工作原理簡述如下:

輸出端限流保護

上圖是常見的輸出端限流保護電路,其工作原理簡述如上圖:當輸出電流過大時,RS(錳銅絲)兩端電壓上升,U1③腳電壓高于②腳基準電壓,U1①腳輸出高電壓,Q1導通,光耦發生光電效應,UC3842①腳電壓降低,輸出電壓降低,從而達到輸出過載限流的目的。
輸出過壓保護電路的原理
輸出過壓保護電路的作用是:當輸出電壓超過設計值時,把輸出電壓限定在一安全值的范圍內。當開關電源內部穩壓環路出現故障或者由于用戶操作不當引起輸出過壓現象時,過壓保護電路進行保護以防止損壞后級用電設備。應用最為普遍的過壓保護電路有如下幾種:
(1)可控硅觸發保護電路:

如上圖,當Uo1輸出升高,穩壓管(Z3)擊穿導通,可控硅(SCR1)的控制端得到觸發電壓,因此可控硅導通。Uo2電壓對地短路,過流保護電路或短路保護電路就會工作,停止整個電源電路的工作。當輸出過壓現象排除,可控硅的控制端觸發電壓通過R對地泄放,可控硅恢復斷開狀態。
(2)光電耦合保護電路:

如上圖,當Uo有過壓現象時,穩壓管擊穿導通,經光耦(OT2)R6到地產生電流流過,光電耦合器的發光二極管發光,從而使光電耦合器的光敏三極管導通。Q1基極的電導通, 3842的③腳電降低,使IC關閉,停止整個電源的工作,Uo為零,周而復始。
(3)輸出限壓保護電路:
輸出限壓保護電路如下圖,當輸出電壓升高,穩壓管導通光耦導通,Q1基極有驅動電壓而導通,UC3842③電壓升高,輸出降低,穩壓管不導通,UC3842③電壓降低,輸出電壓升高。周而復始,輸出電壓將穩定在一范圍內(取決于穩壓管的穩壓值)。

(4)輸出過壓鎖死電路:
圖A的工作原理是,當輸出電壓Uo升高,穩壓管導通,光耦導通,Q2基極的電導通,由于Q2的導通Q1基極電壓降低也導通,Vcc電壓經R1、Q1、R2使Q2始終導通,UC3842③腳始終是高電平而停止工作。在圖B中,UO升高U1③腳電壓升高,①腳輸出高電平,由于D1、R1的存在,U1①腳始終輸出高電平Q1始終導通,UC3842①腳始終是低電平而停止工作。正反饋?
功率因數校正電路(PFC)
(1)原理示意圖:

(2)工作原理:
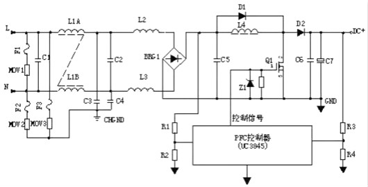
輸入電壓經L1、L2、L3等組成的EMI濾波器,BRG1整流一路送PFC電感,另一路經R1、R2分壓后送入PFC控制器作為輸入電壓的取樣,用以調整控制信號的占空比,即改變Q1的導通和關斷時間,穩定PFC輸出電壓。L4是PFC電感,它在Q1導通時儲存能量,在Q1關斷時釋放能量。D1是啟動二極管。D2是PFC整流二極管,C6、C7濾波。PFC電壓一路送后級電路,另一路經R3、R4分壓后送入PFC控制器作為PFC輸出電壓的取樣,用以調整控制信號的占空比,穩定PFC輸出電壓。
輸入過欠壓保護
(1)原理圖

(2)工作原理:
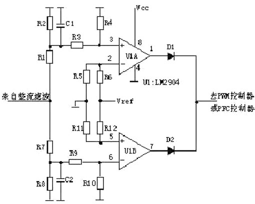
AC輸入和DC輸入的開關電源的輸入過欠壓保護原理大致相同。保護電路的取樣電壓均來自輸入濾波后的電壓。取樣電壓分為兩路,一路經R1、R2、R3、R4分壓后輸入比較器3腳,如取樣電壓高于2腳基準電壓,比較器1腳輸出高電平去控制主控制器使其關斷,電源無輸出。另一路經R7、R8、R9、R10分壓后輸入比較器6腳,如取樣電壓低于5腳基準電壓,比較器7腳輸出高電平去控制主控制器使其關斷,電源無輸出。
烜芯微專業制造二極管,三極管,MOS管,橋堆等20年,工廠直銷省20%,4000家電路電器生產企業選用,專業的工程師幫您穩定好每一批產品,如果您有遇到什么需要幫助解決的,可以點擊右邊的工程師,或者點擊銷售經理給您精準的報價以及產品介紹
烜芯微專業制造二極管,三極管,MOS管,橋堆等20年,工廠直銷省20%,4000家電路電器生產企業選用,專業的工程師幫您穩定好每一批產品,如果您有遇到什么需要幫助解決的,可以點擊右邊的工程師,或者點擊銷售經理給您精準的報價以及產品介紹

