小功率無刷直流電機MOS管燒壞原因
什么原因導致控制小功率無刷直流電機的MOS管被燒壞呢?若能夠提供詳細電路圖及各元器件的型號(比如MOS管型號等)更好,由于沒電路圖,下面對這部分設計MOS管燒壞常見的可能性故障進行分析,自己核對一下是否有相應的問題。
一般幾種情況:
1.啟動電流過大,未做任何保護
2.上下橋臂直通,瞬間過電流
3.死區時間過短,反電動勢導致反向擊穿
4.硬件不確定故障,偶發現象
5.控制算法是否有誤
6.死區保護可能沒有做好,導致H橋的上下臂有直通的可能,可以用多通道示波器測量一下控制PWM信號,是否有上下臂同時導通可能。
1、電路圖中是否有續流二極管?因為電機屬于感性負載,其內部具有線圈,當MOS管關斷瞬間,很大的反向電動勢,與原電源電壓疊加產生高壓,從而擊穿管子。
增加該二極管是使線圈與二極管能夠形成回路,給反向電動勢續流,從而保護MOS管等控制器件,如下圖D1為電機續流二極管。

2、MOS管的選型是否合理?①電機驅動瞬間電流比穩定運行時電流(額定電流)要大5~8倍左右,因此MOS管的最大漏極電流應選擇電機額定電流10倍以上,比如額定功率為0.5A的電機,MOS管最大漏極電流應選擇5A以上,盡量選擇內阻小的MOS管,其內阻越小越好。
內阻小,壓降小,管子功耗小,其發熱量就小。②MOS管的最大工作電壓是否滿足要求?選取管子的工作電壓應比電機工作電壓大一倍,比如24V的電機,MOS管最大工作電壓應選擇48V以上。
3、MOS管的驅動電壓是否符合要求?雖然MOS管導通驅動電壓3V~10V左右,但是VGS電壓一般6V~10V管子才能達到飽和。
若只用3.3V電壓驅動,雖然MOS管能夠導通,但是內阻較大,并沒有達到飽和狀態。導致管子內耗大,發熱量大而燒壞。如下圖為小功率MOS管2N7002驅動電壓VGS與漏極電流ID曲線圖,可以看出VGS>2V就開始有電流,管子導通,但是電壓高達5.5V左右管子才飽和。

4、MOS管控制端柵極串聯電阻是否過大?雖然MOS管屬于電壓控制型器件,但是該電阻不能省,串聯該電阻起到隔離保護作用(如上圖R1)。
若該電阻太大,因為MOS管會有結電容,管子太大充電速度慢,管子很長時間達不到飽和開通狀態,從而過熱燒毀。該電阻阻值一般10k以內即可。
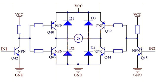
若為正反轉控制電機驅動電路,如下圖4個二極管不能省,這4個二極管屬于電機線圈續流二極管,用于保護控制電路,若控制管使用的是MOS管,其內部一般會有寄生二極管,不需要外接。

烜芯微專業制造二極管,三極管,MOS管,橋堆等20年,工廠直銷省20%,4000家電路電器生產企業選用,專業的工程師幫您穩定好每一批產品,如果您有遇到什么需要幫助解決的,可以點擊右邊的工程師,或者點擊銷售經理給您精準的報價以及產品介紹

