模擬電路的三極管的應用是重中之重,能正確理解三極管的放大區、飽和區、截止區是理解三極管的標志。
很多初學者都會認為三極管是兩個 PN 結的簡單湊合,如下圖:


這種想法是錯誤的,兩個二極管的組合不能形成一個三極管,我們以 NPN 型三極管為例,如下圖:

兩個 PN 結共用了一個 P 區(也稱基區),基區做得極薄,只有幾微米到幾十微米,正是靠著它把兩個 PN 結有機地結合成一個不可分割的整體,它們之間存在著相互聯系和相互影響,使三極管完全不同于兩個單獨的 PN 結的特性。三極管在外加電壓的作用下,形成基極電流、集電極電流和發射極電流,成為電流放大器件。
三極管的電流放大作用與其物理結構有關,三極管內部進行的物理過程是十分復雜的,初學者暫時不必去深入探討。從應用的角度來講,可以把三極管看作是一個電流分配器。一個三極管制成后,它的三個電流之間的比例關系就大體上確定了,如下圖所示:


β 和 α 稱為三極管的電流分配系數,其中 β 值大家比較熟悉,都管它叫電流放大系數。三個電流中,有一個電流發生變化,另外兩個電流也會隨著按比例地變化。例如,基極電流的變化量 ΔI b = 10 μA , β = 50 ,根據 ΔI c = βΔI b的關系式,集電極電流的變化量 ΔI c = 50×10 = 500μA ,實現了電流放大。
三極管自身并不能把小電流變成大電流,它僅僅起著一種控制作用,控制著電路里的電源,按確定的比例向三極管提供 I b 、 I c 和 I e 這三個電流。為了容易理解,我們還是用水流比喻電流,如下圖所示:

這是粗、細兩根水管,粗的管子內裝有閘門,這個閘門是由細的管子中的水量控制著它的開啟程度。如果細管子中沒有水流,粗管子中的閘門就會關閉。注入細管子中的水量越大,閘門就開得越大,相應地流過粗管子的水就越多,這就體現出“以小控制大,以弱控制強”的道理。由圖可見,細管子的水與粗管子的水在下端匯合在一根管子中。
三極管的基極 b 、集電極 c 和發射極 e 就對應著圖中的細管、粗管和粗細交匯的管子。如下圖所示:

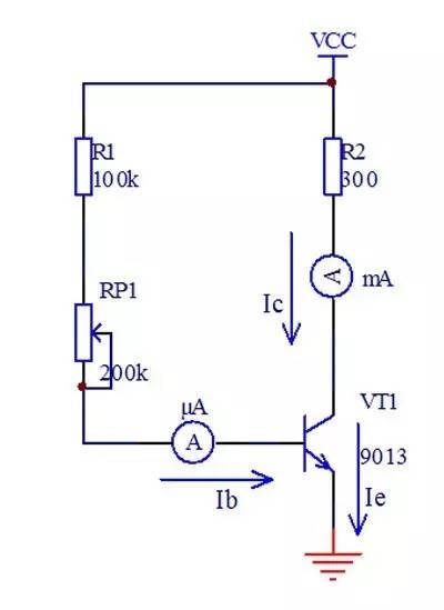
若給三極管外加一定的電壓,就會產生電流 Ib 、 I c 和 I e 。調節電位器 RP 改變基極電流 I b , I c也隨之變化。由于 I c = βI b ,所以很小的 I b 控制著比它大 β 倍的 I c。 I c 不是由三極管產生的,是由電源 V CC 在 I b 的控制下提供的,所以說三極管起著能量轉換作用。
有了上面的知識,就容易理解教科書上說的:
發射極正偏集電極反偏,三極管處于放大狀態;
發射極正偏集電極正偏工作在飽和區;
發射極反偏集電極反偏工作在截止區;
發射極反偏集電極正偏工作在反向放大狀態。
先假設是在飽和區,在計算C E兩端的電壓,以0.3伏作為飽和區放大區的判斷標準(小于則為飽和模式,大于則為放大模式);當c e間電壓為無窮大時即為截止區!
另一個說明:三極管的三種狀態
三極管的三種狀態也叫三個工作區域,即:截止區、放大區和飽和區。
(1)、截止區:三極管工作在截止狀態,當發射結電壓Ube小于0.6—0.7V的導通電壓,發射結沒有導通集電結處于反向偏置,沒有放大作用。
(2)、放大區:三極管的發射極加正向電壓,集電極加反向電壓導通后,Ib控制Ic,Ic與Ib近似于線性關系,在基極加上一個小信號電流,引起集電極大的信號電流輸出。
(3)、飽和區:當三極管的集電結電流IC增大到一定程度時,再增大Ib,Ic也不會增大,超出了放大區,進入了飽和區。飽和時,Ic最大,集電極和發射之間的內阻最小,電壓Uce只有0.1V~0.3V,Uce<>
主要是根據兩個pn結的偏置條件來決定:
發射結正偏,集電結反偏——放大狀態;
發射結正偏,集電結也正偏——飽和狀態;
發射結反偏,集電結也反偏——截止狀態。
這些狀態之間的轉換,可以通過輸入電壓或者相應的輸入電流來控制,例如:在放大狀態時,隨著輸入電流的增大,當輸出電流在負載電阻上的壓降等于電源電壓時,則電源電壓就完全降落在負載電阻上,于是集電結就變成為0偏壓,并進而變為正偏壓——即由放大狀態轉變為飽和狀態。當輸入電壓反偏時,則發射結和集電結都成為了反偏,沒有電流通過,即為截止狀態。
正偏與反偏的區別:對于NPN晶體管,當發射極接電源正極、基極接負極時,則發射結是正偏,反之為反偏;當集電極接電源負極、基極(或發射極)接正極時,則集電結反偏,反之為正偏??傊?,當p型半導體一邊接正極、n型半導體一邊接負極時,則為正偏,反之為反偏。
烜芯微專業制造二極管,三極管,MOS管,橋堆等,20年,工廠直銷省20%,1500家電路電器生產企業選用,專業的工程師幫您穩定好每一批產品,如果您有遇到什么需要幫助解決的,可以直接聯系上方的聯系號碼或加QQ,由我們的銷售經理給您精準的報價以及產品介紹
烜芯微專業制造二極管,三極管,MOS管,橋堆等,20年,工廠直銷省20%,1500家電路電器生產企業選用,專業的工程師幫您穩定好每一批產品,如果您有遇到什么需要幫助解決的,可以直接聯系上方的聯系號碼或加QQ,由我們的銷售經理給您精準的報價以及產品介紹

