IGBT(InsulatedGateBipolarTransistor),絕緣柵雙極型晶體管,是由BJT(雙極型三極管)和MOS(絕緣柵型場效應管)組成的復合全控型電壓驅動式功率半導體器件,兼有MOSFET的高輸入阻抗和GTR的低導通壓降兩方面的優點。GTR飽和壓降低,載流密度大,但驅動電流較大;MOSFET驅動功率很小,開關速度快,但導通壓降大,載流密度小。IGBT綜合了以上兩種器件的優點,驅動功率小而飽和壓降低。非常適合應用于直流電壓為600V及以上的變流系統如交流電機、變頻器、開關電源、照明電路、牽引傳動等領域。
IGBT模塊是由IGBT(絕緣柵雙極型晶體管芯片)與FWD(續流二極管芯片)通過特定的電路橋接封裝而成的模塊化半導體產品;封裝后的IGBT模塊直接應用于變頻器、UPS不間斷電源等設備上;
IGBT模塊具有節能、安裝維修方便、散熱穩定等特點;當前市場上銷售的多為此類模塊化產品,一般所說的IGBT也指IGBT模塊;隨著節能環保等理念的推進,此類產品在市場上將越來越多見;
IGBT是能源變換與傳輸的核心器件,俗稱電力電子裝置的“CPU”,作為國家戰略性新興產業,在軌道交通、智能電網、航空航天、電動汽車與新能源裝備等領域應用極廣。


IGBT原理
方法
IGBT是將強電流、高壓應用和快速終端設備用垂直功率MOSFET的自然進化。由于實現一個較高的擊穿電壓BVDSS需要一個源漏通道,而這個通道卻具有很高的電阻率,因而造成功率MOSFET具有RDS(on)數值高的特征,IGBT消除了現有功率MOSFET的這些主要缺點。雖然最新一代功率MOSFET器件大幅度改進了RDS(on)特性,但是在高電平時,功率導通損耗仍然要比IGBT技術高出很多。較低的壓降,轉換成一個低VCE(sat)的能力,以及IGBT的結構,同一個標準雙極器件相比,可支持更高電流密度,并簡化IGBT驅動器的原理圖。
導通
IGBT硅片的結構與功率MOSFET的結構十分相似,主要差異是IGBT增加了P+基片和一個N+緩沖層(NPT-非穿通-IGBT技術沒有增加這個部分)。如等效電路圖所示(圖1),其中一個MOSFET驅動兩個雙極器件?;膽迷诠荏w的P+和N+區之間創建了一個J1結。當正柵偏壓使柵極下面反演P基區時,一個N溝道形成,同時出現一個電子流,并完全按照功率MOSFET的方式產生一股電流。如果這個電子流產生的電壓在0.7V范圍內,那么,J1將處于正向偏壓,一些空穴注入N-區內,并調整陰陽極之間的電阻率,這種方式降低了功率導通的總損耗,并啟動了第二個電荷流。最后的結果是,在半導體層次內臨時出現兩種不同的電流拓撲:一個電子流(MOSFET電流);一個空穴電流(雙極)。
關斷
當在柵極施加一個負偏壓或柵壓低于門限值時,溝道被禁止,沒有空穴注入N-區內。在任何情況下,如果MOSFET電流在開關階段迅速下降,集電極電流則逐漸降低,這是因為換向開始后,在N層內還存在少數的載流子(少子)。這種殘余電流值(尾流)的降低,完全取決于關斷時電荷的密度,而密度又與幾種因素有關,如摻雜質的數量和拓撲,層次厚度和溫度。少子的衰減使集電極電流具有特征尾流波形,集電極電流引起以下問題:功耗升高;交叉導通問題,特別是在使用續流二極管的設備上,問題更加明顯。
鑒于尾流與少子的重組有關,尾流的電流值應與芯片的溫度、IC和VCE密切相關的空穴移動性有密切的關系。因此,根據所達到的溫度,降低這種作用在終端設備設計上的電流的不理想效應是可行的。
阻斷與閂鎖
當集電極被施加一個反向電壓時,J1就會受到反向偏壓控制,耗盡層則會向N-區擴展。因過多地降低這個層面的厚度,將無法取得一個有效的阻斷能力,所以,這個機制十分重要。另一方面,如果過大地增加這個區域尺寸,就會連續地提高壓降。第二點清楚地說明了NPT器件的壓降比等效(IC和速度相同)PT器件的壓降高的原因。
當柵極和發射極短接并在集電極端子施加一個正電壓時,P/NJ3結受反向電壓控制,此時,仍然是由N漂移區中的耗盡層承受外部施加的電壓。
IGBT在集電極與發射極之間有一個寄生PNPN晶閘管(如圖1所示)。在特殊條件下,這種寄生器件會導通。這種現象會使集電極與發射極之間的電流量增加,對等效MOSFET的控制能力降低,通常還會引起器件擊穿問題。晶閘管導通現象被稱為IGBT閂鎖,具體地說,這種缺陷的原因互不相同,與器件的狀態有密切關系。通常情況下,靜態和動態閂鎖有如下主要區別:
當晶閘管全部導通時,靜態閂鎖出現,只在關斷時才會出現動態閂鎖。這一特殊現象嚴重地限制了安全操作區。為防止寄生NPN和PNP晶體管的有害現象,有必要采取以下措施:防止NPN部分接通,分別改變布局和摻雜級別,降低NPN和PNP晶體管的總電流增益。此外,閂鎖電流對PNP和NPN器件的電流增益有一定的影響,因此,它與結溫的關系也非常密切;在結溫和增益提高的情況下,P基區的電阻率會升高,破壞了整體特性。因此,器件制造商必須注意將集電極最大電流值與閂鎖電流之間保持一定的比例,通常比例為1:5。


IGBT的使用方法
IGBT絕緣柵雙極型晶體管是一種典型的雙極MOS復合型功率器件。它結合功率MOSFET的工藝技術,將功率MOSFET和功率管GTR集成在同一個芯片中。該器件具有開關頻率高、輸入阻抗較大、熱穩定性好、驅動電路簡單、低飽和電壓及大電流等特性,被作為功率器件廣泛應用于工業控制、電力電子系統等領域(例如:伺服電機的調速、變頻電源)。為使我們設計的系統能夠更安全、更可靠的工作,對IGBT的保護顯得尤為重要。
目前,在使用和設計IGBT的過程中,基本上都是采用粗放式的設計模式——所需余量較大,系統龐大,但仍無法抵抗來自外界的干擾和自身系統引起的各種失效問題。瞬雷電子公司利用在半導體領域的生產和設計優勢,結合瞬態抑制二極管的特點,在研究IGBT失效機理的基礎上,通過整合系統內外部來突破設計瓶頸。本文將突破傳統的保護方式,探討IGBT系統電路保護設計的解決方案。
IGBT失效場合:來自系統內部,如電力系統分布的雜散電感、電機感應電動勢、負載突變都會引起過電壓和過電流;來自系統外部,如電網波動、電力線感應、浪涌等。歸根結底,IGBT失效主要是由集電極和發射極的過壓/過流和柵極的過壓/過流引起。
IGBT失效機理:IGBT由于上述原因發生短路,將產生很大的瞬態電流——在關斷時電流變化率di/dt過大。漏感及引線電感的存在,將導致IGBT集電極過電壓,而在器件內部產生擎住效應,使IGBT鎖定失效。同時,較高的過電壓會使IGBT擊穿。IGBT由于上述原因進入放大區,使管子開關損耗增大。
IGBT傳統防失效機理:盡量減少主電路的布線電感量和電容量,以此來減小關斷過電壓;在集電極和發射極之間,放置續流二極管,并接RC電路和RCD電路等;在柵極,根據電路容量合理選擇串接阻抗,并接穩壓二極管防止柵極過電壓。
IGBT失效防護
集電極過電壓、過電流防護,以IGBT變頻調速電源主電路為例(圖1)。
在集電極和發射極之間并接RC濾波電路,可有效地抑制關斷過電壓和開關損耗。但在實際應用中,由于DC電源前端的浪涌突波會使集電極過電壓,并使RC濾波電路部分的抑制效果生效,IGBT通常都會被擊穿或者短路。另外,在電機起動時,由于起動時的大電流,在主線路中分布的電感亦會造成較大程度的感應過電壓,使IGBT損壞。同時,電機勵磁造成的感應電動勢,對電路的破壞也相當地大——工程師們經常沒有考慮到這一點。


圖1:IGBT變頻調速電源主電路
上述情況,浪涌突波部分可以用防雷電路進行防護。瞬雷電子開發的藍寶寶浪涌抑制器(BPSS),在雷擊方面既具有極大的過電流能力,又具有極低的殘壓。同時,針對電機部分,參照ISO7637的相關標準,該產品完全可以使用。而使用其他器件則不能同時達到上述兩種情況。具體問題有:壓敏電阻在ISO7637的長波(P5A)中容易失效,并且不宜長期使用;陶瓷放電管不能直接用于有源電路中,常因續流問題導致電路短路,并且抑制電壓過高。
柵極過電壓、過電流防護
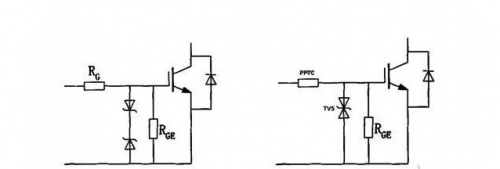
傳統保護模式:防護方案防止柵極電荷積累及柵源電壓出現尖峰損壞IGBT——可在G極和E極之間設置一些保護元件,如下圖的電阻RGE的作用,是使柵極積累電荷泄放(其阻值可取5kΩ);兩個反向串聯的穩壓二極管V1和V2,是為了防止柵源電壓尖峰損壞IGBT。另外,還有實現控制電路部分與被驅動的IGBT之間的隔離設計,以及設計適合柵極的驅動脈沖電路等。然而即使這樣,在實際使用的工業環境中,以上方案仍然具有比較高的產品失效率——有時甚至會超出5%。相關的實驗數據和研究表明:這和瞬態浪涌、靜電及高頻電子干擾有著緊密的關系,而穩壓管在此的響應時間和耐電流能力遠遠不足,從而導致IGBT過熱而損壞。


圖2:傳統保護模式和新型保護模式電路對比
新型保護模式:將傳統的穩壓管改為新型的瞬態抑制二極管(TVS)。一般柵極驅動電壓約為15V,可以選型SMBJ15CA。該產品可以通過IEC61000-4-5浪涌測試10/700US6kV。
TVS反應速度極快(達PS級),通流能力遠超穩壓二極管(可達上千安培),同時,TVS對靜電具有非常好的抑制效果。該產品可以通過IEC61000-4-2接觸放電8kV和空氣放電15kV的放電測試。
將傳統電阻RG變更為正溫度系數(PPTC)保險絲。它既具有電阻的效果,又對溫度比較敏感。當內部電流增加時,其阻抗也在增加,從而對過流具有非常好的抑制效果。
烜芯微專業制造二極管,三極管,MOS管,橋堆等20年,工廠直銷省20%,4000家電路電器生產企業選用,專業的工程師幫您穩定好每一批產品,如果您有遇到什么需要幫助解決的,可以點擊右邊的工程師,或者點擊銷售經理給您精準的報價以及產品介紹
烜芯微專業制造二極管,三極管,MOS管,橋堆等20年,工廠直銷省20%,4000家電路電器生產企業選用,專業的工程師幫您穩定好每一批產品,如果您有遇到什么需要幫助解決的,可以點擊右邊的工程師,或者點擊銷售經理給您精準的報價以及產品介紹

