微控制單元 ,又稱單片微型計算機(Single Chip Microcomputer )或者單片機,是把中央處理器(Central Process Unit;CPU)的頻率與規格做適當縮減,并將內存(memory)、計數器(Timer)、USB、A/D轉換、UART、PLC、DMA等周邊接口,甚至LCD驅動電路都整合在單一芯片上,形成芯片級的計算機,為不同的應用場合做不同組合控制。而嵌入式控制系統的MCU一般都需要一個穩定的工作電壓才能可靠工作。
但設計者多習慣采用線性穩壓器件(如78xx系列三端穩壓器件)作為電壓調節和穩壓器件來將較高的直流電壓轉變MCU所需的工作電壓。這種線性穩壓電源的線性調整工作方式在工作中會大的“熱損失”(其值為V壓降×I負荷),其工作效率僅為30%~50%。加之工作在高粉塵等惡劣環境下往往將嵌入式工業控制系統置于密閉容器內的聚集也加劇了MCU的惡劣工況,從而使嵌入式控制系統的穩定性能變得更差。
而開關電源調節器件則以完全導通或關斷的方式工作。因此,工作時要么是大電流流過低導通電壓的開關管,要么是完全截止無電流流過。因此,開關穩壓電源的功 耗極低,其平均工作效率可達70%~90%。在相同電壓降的條件下,開關電源調節器件與線性穩壓器件相比具有少得多的“熱損失”。也因此開關穩壓電源可大大減少散熱片體積和PCB板的面積,甚至在大多數情況下不需要加裝散熱片,從而減少了對MCU工作環境的有害影響。
本文介紹了使用LM2576系列開關穩壓電源來替代線性穩壓電源作為MCU電源的設計方案,其優勢是開關管的高頻通斷特性以及串聯濾波電感的使用對來自于電源的高頻干擾具有較強的抑制作用。此外,由于開關穩壓電源“熱損失”的減少,設計時還可提高穩壓電源的輸入電壓,這有助于提高交流電壓抗跌落干擾的能力。
LM2576系列開關穩壓集成電路是線性三端穩壓器件(如78xx系列端穩壓集成電路)的替代品,它具有可靠的工作性能、較高的工作效率和較強的輸出電流驅動能力,從而為MCU的穩定、可靠工作提供了強有力的保證。
1.LM2576簡介
LM2576系列是3A電流輸出降壓開關型集成穩壓電路,它內含固定頻率振蕩器(52kHz)和基準穩壓器(1.23V),并具 有完善的保護電路,包括電流限制及熱關斷電路等,利用該器件只需極少的外圍器件便可構成高效穩壓電路。LM2576系列包括 LM2576(最高輸入電壓40V)及LM2576HV(最高輸入電壓60V)二個系列。各系列產品均提供有3.3V(-3.3)、5V(-5.0)、 12V(-12)、15V(-15)及可調(-ADJ)等多個電壓檔次產品。此外,該芯片還提供了工作狀態的外部控制引腳。
主要特性如下:
(1)最大輸出電流:3A;
(2)最高輸入電壓:LM257*0V,LM2576HV為60V;
(3)輸出電壓:3.3V、5V、12V、15V和ADJ(可調)等可選;
(4)振動頻率:52kHz;
(5)轉換效率:75%~88%(不同電壓輸出時的效率不同);
(6)控制方式:PWM;
(7)工作溫度范圍:-40℃ ~ +125℃
(8)工作模式:低功耗/正常兩種模式可外部控制;
(9)工作模式控制:TTL電平兼容;
(10)所需外部元件:僅四個(不可調)或六個(可調);
(11)器件保護:熱關斷及電流限制。
LM2576的內部框圖如圖1所示,該框圖的引腳定義對應于五腳TO-220封裝形式。

圖1 LM2576的內部框圖
LM2576內部包含52kHz振蕩器、1.23V基準穩壓電路、熱關斷電路、電流限制電路、放大器、比較器及內部穩壓電路等。為了產生不同的輸出電壓, 通常將比較器的負端接基準電壓(1.23V),正端接分壓電阻網絡,這樣可根據輸出電壓的不同選定不同的阻值,其中R1=1kΩ(可調-ADJ時開路), R2分別為1.7 kΩ(3.3V)、3.1 kΩ(5V)、8.84 kΩ(12V)、11.3 kΩ(15V)和0(-ADJ),上述電阻依據型號不同已在芯片內部做了精確調整,因而無需使用者考慮。將輸出電壓分壓電阻網絡的輸出同內部基準穩壓值 1.23V進行比較,若電壓有偏差,則可用放大器控制內部振蕩器的輸出占空比,從而使輸出電壓保持穩定。
由圖1及LM2576系列開關穩壓集成電路的特性可以看出,以LM2576為核心的開關穩壓電源完全可以取代三端穩壓器件構成的MCU穩壓電源。
2.應用設計
由LM2576構成的基本穩壓電路僅需四個外圍器件,其電路如圖2所示。

圖2 電路圖
電感L1的選擇要根據LM2576的輸出電壓、最大輸入電壓、最大負載電流等參數選擇,首先,依據如下公式計算出電壓·微秒常數(E·T):
E·T=(Vin - Vout)×Vout/ Vin×1000/f?? (1)
上式中,Vin是LM2576的最大輸入電壓、Vout是LM2576的輸出電壓、f是LM2576的工作振蕩頻率值(52kHz)。E·T確定之后,就可參照參考文獻所提供的相應的電壓·微秒常數和負載電流曲線來查找所需的電感值了。
該電路中的輸入電容Cin一般應大于或等于100μF,安裝時要求盡量靠近LM2576的輸入引腳,其耐壓值應與最大輸入電壓值相匹配。而輸出電容Cout的值應依據下式進行計算(單位μF):
C≥13300 Vin/ Vout×L (2)
上式中,Vin是LM2576的最大輸入電壓、Vout是LM2576的輸出電壓、L是經計算并查表選出的電感L1的值,其單位是μH。電容C鐵耐壓值應大于額定輸出電壓的1.5~2倍。對于5V電壓輸出而言,推薦使用耐壓值為16V的電容器。
二極管D1的額定電流值應大于最大負載電流的1.2倍,考慮到負載短路的情況,二極管的額定電流值應大于LM2576的最大電流限制。二極管的反向電壓應大于最大輸入電壓的1.25倍。參考文獻中推薦使用1N582x系列的肖特基二極管。
Vin的選擇應考慮交流電壓最低跌落值(Vac-min)所對應的LM2576輸入電壓值及LM2576的最小輸入允許電壓值Vmin(以5V電壓輸出為例,該值為8V),因此,Vin可依據下式計算:
Vin≥(220Vmin/Vac-min)
如果交流電壓最低允許跌落30%(Vac-min=154V)、LM2576的電壓輸出為5V(Vmin=8V),則當Vac=220V時,LM2576的輸入直流電壓應大于11.5V,通常可選為12V。
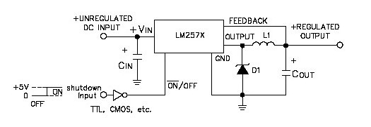
3.工作模式可控應用設計
LM2576的5腳輸入電平可用于控制LM2576的工作狀態。5腳輸入電平與TTL電平兼容。當輸入為低電平時,LM2576正常工作;當輸入為高電平時,LM2576停止輸出并進入低功耗狀態。圖3是LM2576的工作模式可控電路原理圖。

圖3 LM2576的工作模式可控電路原理圖
圖3中,下拉電阻可保證MCU-CON控制端為低時LM2576的正常工作。Shutdown Input的控制端信號來自MCU,該端為低電平時,LM2576停止輸出,系統進入低功耗狀態。當為該端為高電平時,三極管導通會使LM2576重新工 作。設計時保證當MCU-CON控制端為高電平且三極管導通時,電阻R不至于因過流而損壞MCU的輸出控制端。
結束語
經實際使用證明,采用LM2576系列開關穩壓集成電路作為MCU穩壓電源的核心器件不僅可以提高穩壓電源的工作效率,減少能源損耗,減少對MCU的熱損 害,而且可減少外部交流電壓大幅波動對MCU的干擾,同時可降低經電源竄入的高頻干擾,這對保障MCU的安全和可靠運行能起到事半功倍的作用。
電話:18923864027(同微信)
QQ:709211280
〈烜芯微/XXW〉專業制造二極管,三極管,MOS管,橋堆等,20年,工廠直銷省20%,上萬家電路電器生產企業選用,專業的工程師幫您穩定好每一批產品,如果您有遇到什么需要幫助解決的,可以直接聯系下方的聯系號碼或加QQ/微信,由我們的銷售經理給您精準的報價以及產品介紹

