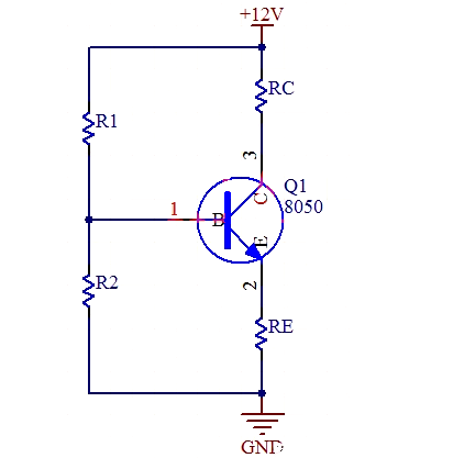
三極管放大區靜態工作點
三極管應用于放大交流信號時,一般要確保靜態工作點在合適的位置,以獲得最大的信號放大能力,避免截止失真或飽和失真。
三極管用于放大變化極其緩慢的緩變信號或者直流信號時,則要確保該信號電壓值對應的三極管狀態要處于放大區。
記三極管集電極電位為VC,發射極電位為VE,集電極和發射極之間的電位差為VCE,基極電位為VB。
如圖1所示,要想三極管放大區間最大,最理想的情況是VC等于1/2VCC,處于電源中間,此例中VC=6V,VC=VCE+VE,因此可以將VCE設置為比VC稍小一些,比如VCE=5V。
得到VCE后,根據三極管的特性曲線,如圖2所示,找到特性曲線中VCE=12V,IC=0的第1點(三極管截止時,VCE=VCC=12V)和VCE=5V的第2點,
然后沿著VCE=5V的點垂直向上,找到一個合適的Ib值第3點,使第3點大致剛好落在第3點和第1點形成的直流負載曲線的中間,此例中ib=600uA,對應的IC=0.14A。


然后可以根據以下關系計算:
VC=VCC-IC*RC,
6=12-0.14*RC,
RC=42.8R,取為43R。
VE=VC-VCE=6-5=1V,
RE=VE/IC=1/0.14=7.1R,取為7.5R。
hfe=IC/Ib=0.14A/600uA=233。
三極管的基極輸入阻抗為RB=hfe*RE=233*7.5=1750R。
當RB>>10R2時,流入三極管基極的電流相對分壓電路來說可以忽略不計。
因此,可以設R2=100R,根據R1、R2分壓關系確定VB=VE+0.7=1.7V,得R1=600R。
集電極負反饋偏置

集電極負反饋偏置電路如圖3所示,RB保證集電極電壓高于基極電壓,使三極管處于放大區。
當因為某種原因導致集電極電流IC上升時,集電極電壓降低,而其通過負反饋電阻RB到基極的電壓也必然降低,從而使VBE降低,Ib降低,最后IC降低,整體上使IC保持不變,穩定了靜態工作點。
電話:18923864027(同微信)
QQ:709211280
〈烜芯微/XXW〉專業制造二極管,三極管,MOS管,橋堆等,20年,工廠直銷省20%,上萬家電路電器生產企業選用,專業的工程師幫您穩定好每一批產品,如果您有遇到什么需要幫助解決的,可以直接聯系下方的聯系號碼或加QQ/微信,由我們的銷售經理給您精準的報價以及產品介紹

