SMAJ26A瞬態抑制二極管,26VTVS管,26V單向雙向TVS二極管
SMAJ26A瞬態抑制二極管,400W絲印CE二極管,26V TVS管規格書參數,SMAJ26A單向TVS管,26V瞬態抑制二極管
SMAJ26A瞬態抑制二極管,400W絲印CE二極管,26V TVS管規格書參數,SMAJ26A單向TVS管,26V瞬態抑制二極管

SMAJ26A SMA封裝參數:點擊查看

SMAJ26A封裝有SMA/SMB/SMC/SOD-123FL
26V瞬態抑制二極管參數如下:
DEVICE MARKING CODE 絲印:CE
Peak Pulse Power Dissipation on 功率損耗Pppm:400W
REVERSE STANDOFF VOLTAGE VRWM (V) 反向對峙電壓:26V
BREAKDOWN VOLTAGE VBR (V) MIN. @ IT 崩潰電壓(最?。?8.9V
BREAKDOWN VOLTAGE VBR (V) MAX. @ IT 崩潰電壓(最大):31.9V
TEST CURRENT (IT) mA 測試電流:1mA
MAXIMUM CLAMPING VOLTAGE @IPP VC (V) 最大嵌位電壓:42.1V
PEAK PULSE CURRENT IPP (A) 峰值脈沖電流:9.5A
REVERSE LEAKAGE @ VRWM IR (μA) 反向漏電:1μA
Operating Junction Temperature and Storage Temperature Range 工作結溫度和存儲溫度范圍 Tj, Tstg:-65~+150℃
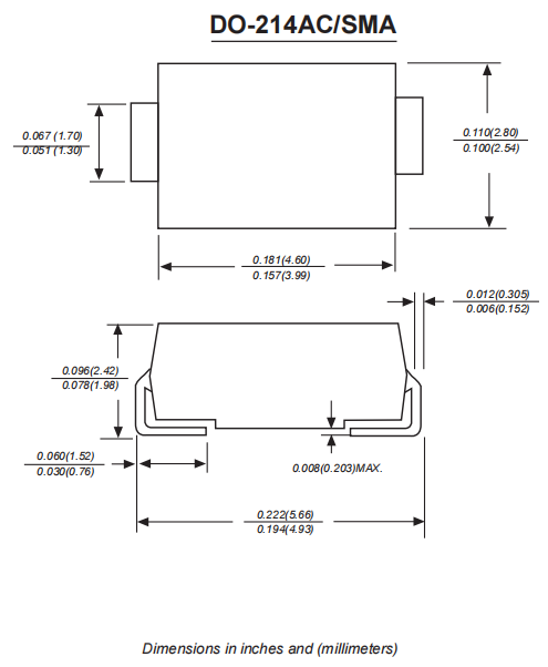
SMAJ26A瞬態抑制二極管,DO-214AC/SMA封裝尺寸:


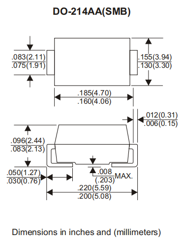
SMAJ26A瞬態抑制二極管,DO-214AA/SMB封裝尺寸:


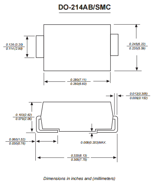
SMAJ26A瞬態抑制二極管,DO-214AB/SMC封裝尺寸:


SMAJ26A瞬態抑制二極管,SOD-123FL封裝尺寸:

〈烜芯微/XXW〉專業制造二極管,三極管,MOS管,橋堆等,20年,工廠直銷省20%,上萬家電路電器生產企業選用,專業的工程師幫您穩定好每一批產品,如果您有遇到什么需要幫助解決的,可以直接聯系下方的聯系號碼或加QQ/微信,由我們的銷售經理給您精準的報價以及產品介紹
聯系號碼:18923864027
QQ:709211280


