講解幾種拓撲結構的工作細節
降壓調整器:
連續導電
臨界導電
不連續導電
升壓調整器 (連續導電):
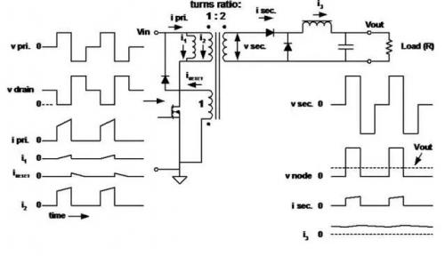
變壓器工作
反激變壓器
正激變壓器
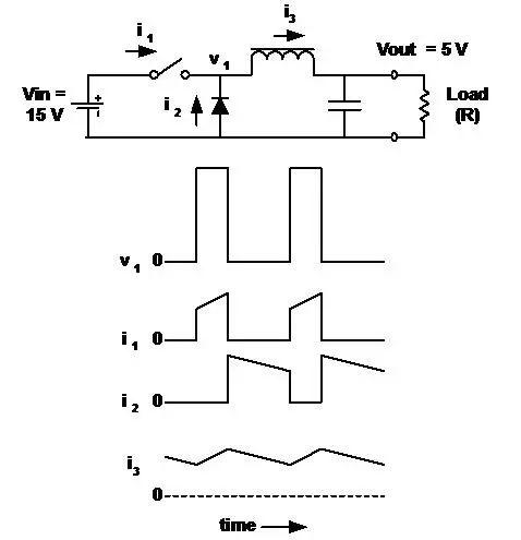
Buck- 降壓調整器 - 連續導電

電感電流連續。
Vout 是其輸入電壓 (V1)的均值。
輸出電壓為輸入電壓乘以開關的負荷比 (D)。
接通時,電感電流從電池流出。
開關斷開時電流流過二極管。
忽略開關和電感中的損耗, D 與負載電流無關。
降壓調整器和其派生電路的特征是:
輸入電流不連續 (斬波), 輸出電流連續 (平滑)。
Buck- 降壓調整器 - 臨界導電

電感電流仍然是連續的,只是當開關再次接通時 “達到”零。
這被稱為 “臨界導電”。
輸出電壓仍等于輸入電壓乘以 D。
Buck- 降壓調整器 - 不連續導電

在這種情況下,電感中的電流在每個周期的一段時間中為零。
輸出電壓仍然 (始終)是 v1 的平均值。
輸出電壓不是輸入電壓乘以開關的負荷比 (D)。
當負載電流低于臨界值時,D 隨著負載電流而變化(而 Vout 保持不變)。
Boost 升壓調整器

輸出電壓始終大于(或等于)輸入電壓。
輸入電流連續,輸出電流不連續(與降壓調整器相反)。
輸出電壓與負荷比(D)之間的關系不如在降壓調整器中那么簡單。在連續導電的情況下:

在本例中,Vin = 5,
Vout = 15, and D = 2/3.
Vout = 15,D = 2/3.
變壓器工作(包括初級電感的作用)

變壓器看作理想變壓器,它的初級(磁化)電感與初級并聯。
反激變壓器

此處初級電感很低,用于確定峰值電流和存儲的能量。當初級開關斷開時,能量傳送到次級。
Forward 正激變換變壓器

初級電感很高,因為無需存儲能量。
磁化電流 (i1) 流入 “磁化電感”,使磁芯在初級開關斷開后去磁 (電壓反向)。
〈烜芯微/XXW〉專業制造二極管,三極管,MOS管,橋堆等,20年,工廠直銷省20%,上萬家電路電器生產企業選用,專業的工程師幫您穩定好每一批產品,如果您有遇到什么需要幫助解決的,可以直接聯系下方的聯系號碼或加QQ/微信,由我們的銷售經理給您精準的報價以及產品介紹
聯系號碼:18923864027(同微信)
QQ:709211280

