根據功率放大器所設靜態工作點的不同,功率放大器可分為甲類、乙類、甲乙類等多種。
甲類功率放大器
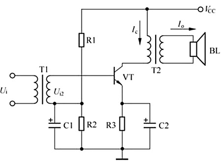
甲類功率放大器的功率放大管VT的基極接有偏置電阻,在整個信號周期內VT都會有導通電流,但工作效率不足50%,所以僅早期的收音機采用它做末級放大器,如圖3-12所示。
輸入信號Ui經激勵變壓器T1耦合,再經VT倒相放大,利用輸出變壓器T2耦合,推動揚聲器BL發音。

圖3-12收音機應用的甲類功率放大器
提示:甲類功率放大器的應用還是比較廣泛的,除了應用在彩色電視機的行激勵等電路,還應用在大功率放大器中作為推動級。
乙類功率放大器
乙類功率放大器沒有偏置電阻,所以靜態電流為0,也就是在激勵信號的正半周期間導通,而在負半周期間截止。為了使放大電路在整個信號周期都可以工作,乙類功率放大器多采用兩個不同極性的三極管輪流工作,從而構成了乙類互補推挽放大器。典型的乙類互補推挽放大器如圖3-13所示。
其中,變壓器耦合式的乙類互補推挽放大器主要應用在擴音機等電路中,而無變壓器式乙類互補推挽放大器主要應用在大功率放大器或開關電源內作為推動級。下面以圖3-13(a)所示電路為例介紹乙類功率放大器的工作原理。

參見圖3-13(a),靜態時,VT1、VT2因基極沒有導通電壓輸入而截止。當輸入信號Ui的正半周加到激勵變壓器T1的一次繞組后,它的兩個二次繞組耦合輸出的信號都為上正、下負,使VT2截止、VT1導通,產生集電極電流Ic1,該電流經輸出變壓器T2耦合到二次繞組,形成輸出信號的上半周;Ui的負半周信號經T1耦合后,它的兩個二次繞組輸出的信號都為下正、上負,使VT1截止、VT2導通,產生集電極電流Ic2,該電流經輸出變壓器T2耦合到二次繞組,形成輸出信號的負半周。這樣,就可以得到一個完整的信號。
雖然乙類互補推挽放大器的靜態電流為0,降低了功耗,提高了效率,但在輸入信號的初期和末期,它的幅度低于三極管的導通電壓時,三極管就會截止,導致正、負半周交接部分的信號不能被放大,產生圖3-14所示的交越失真。

甲乙類功率放大器
甲乙類功率放大器的工作介于甲類和乙類之間,它是目前應用較多的功率放大器之一。此類放大器通過偏置電阻為兩只推挽放大管提供較小的靜態工作電流,每個三極管導通的時間大于信號的半個周期。這樣,整個周期的輸入信號都能被放大,從而抑制了交越失真。典型的甲乙類功率放大器如圖3-15所示。
其中,變壓器耦合式的甲乙類互補推挽放大器已基本淘汰,目前應用較多的是無變壓器式甲乙類互補推挽放大器。因此,下面以圖3-15(b)所示電路為例介紹甲乙類功率放大器的工作原理。

參見圖3-15(b),正、負電源+VCC、?VCC分別通過偏置電阻R1、R2加到放大管VT1、VT2的基極,為它們提供一個較小的靜態電流。
當輸入信號Ui的正半周信號不僅通過VD1、VD2、R3加到VT2的基極使它截止,而且加到VT1的基極,使VT1導通時,它的集電極電流Ic1由+VCC經VT1、RL到地構成回路,形成輸出信號的上半周;當Ui的負半周信號加到VT1的基極后VT1截止,而VT2導通,它的集電極電流Ic2由地、RL、VT2到?VCC構成回路,形成輸出信號的負半周。這樣,就可以得到一個完整的信號。
〈烜芯微/XXW〉專業制造二極管,三極管,MOS管,橋堆等,20年,工廠直銷省20%,上萬家電路電器生產企業選用,專業的工程師幫您穩定好每一批產品,如果您有遇到什么需要幫助解決的,可以直接聯系下方的聯系號碼或加QQ/微信,由我們的銷售經理給您精準的報價以及產品介紹
聯系號碼:18923864027(同微信)
QQ:709211280

