一、概述
LED 應急燈是一種關鍵的照明設備,它能在正常電力供應中斷時,迅速切換到備用電源,持續提供照明。這種應急燈通常由電源、備用電源(如蓄電池或超級電容器)、智能控制電路和傳感器組成。
二、電路組成與功能


(一)基本組成
由降壓變壓器(9-0-9V)構成的電路對交流電壓進行降壓處理,隨后通過 1 安培橋式整流器(或橋式整流模塊)進行整流。與電阻 R1 連接的 LED 可顯示輸出直流電壓狀態。利用正調節器 IC 7808 調節直流電壓后,將該電壓輸入光傳感電路。光傳感電路采用普通 5mm LDR(光敏電阻)檢測光線:LDR 在明亮環境下電阻低,在黑暗環境下電阻高,其感應電平可通過 10KΩ 可變電阻 VR1 調節。
(二)智能控制電路
LED 應急燈照明電路配備智能控制電路和傳感器,能在主電源故障時檢測信號并切換至備用電源,點亮燈泡或 LED,提供應急照明。主電源恢復后,自動切回主電源并待機充電。
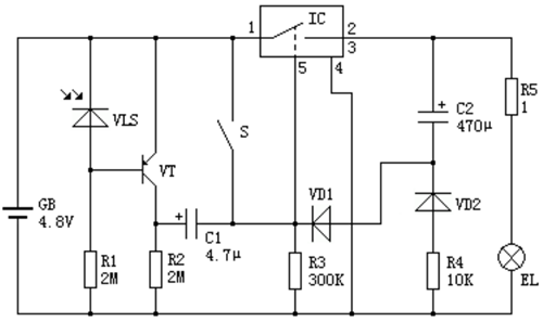
(三)自動應急燈電路組成


自動應急燈電路由光控燈電路、電子開關電路和延時照明電路組成。白天或光線充足時,光敏二極管 VLS 導通,VT 截止,IC 內部電子開關因⑤腳電壓為 0V 而關閉,EL 不亮,整機耗電低。夜晚光線變暗時,VLS 阻值增大,VT 導通,R2 電壓上升,但因 C1 隔直流,IC⑤腳電壓仍低于 1.6V,EL 不亮。若光線突然變暗(如關燈或停電),VLS 呈高阻,VT 迅速飽和導通,R2 產生大電壓降。C1 電壓不能突變,使 IC⑤腳電壓超過 1.6V,IC 內部電子開關接通,EL 點亮。同時,+4.8V 電壓經 R3、VD1 和 IC 對 C2 充電,確保 VT 截止時 IC⑤腳電壓仍高于 1.6V,維持 EL 點亮。隨著 C2 充電,IC⑤腳電壓降低,低于 1.6V 時,IC 內部電子開關關閉,EL 熄滅,C2 通過 R5、EL、R4 和 VD2 放電,為下次工作準備。若接通 S,應急燈可用于停電時的連續照明。
三、工作原理與應用優勢
(一)工作原理
在應急燈電路中,白天 LDR 允許電流流向 Q1 晶體管基極,使 Q1 導通并接地 MOSFET 柵極,LED 陣列與電源斷開。黑暗時,LDR 阻斷電流,Q1 基極電壓低,保持關閉,MOSFET 柵極無電壓,漏源極導通,LED 陣列發光。斷電時,電池(6V,4.5Ah)接入偏壓,為電路供電。
(二)應用優勢
與傳統熒光燈管應急燈相比,LED 應急燈具有顯著優勢。傳統熒光燈管應急燈最多提供 2 至 3 小時照明,而 LED 應急燈的發光時間可達約 7 小時,大大延長了應急照明時間,提高了在緊急情況下的可靠性。
〈烜芯微/XXW〉專業制造二極管,三極管,MOS管,橋堆等,20年,工廠直銷省20%,上萬家電路電器生產企業選用,專業的工程師幫您穩定好每一批產品,如果您有遇到什么需要幫助解決的,可以直接聯系下方的聯系號碼或加QQ/微信,由我們的銷售經理給您精準的報價以及產品介紹
聯系號碼:18923864027(同微信)
QQ:709211280

